1.지인이 쓰고있던 레노버 노트북의 사양은 다음과 같습니다
모델명 : IdeaPad 3-15ITL6
CPU : I7-1165G7
메모리 : 16GB
SSD : 256
LCD : 15.6 FHD
가성비 높은 성능 (인텔 11세대 타이거레이크)
- 준수한 프로세서: Core i3부터 i7까지 탑재되며, 특히 i5 이상 모델은 인텔 Iris Xe 그래픽을 지원해 간단한 영상 편집이나 캐주얼 게임(롤 등)도 충분히 소화합니다.
- 사무용 끝판왕: 문서 작업, 웹 서핑, 온라인 강의 시청에 최적화된 성능을 보여줍니다.
사용자 편의 기능 (Privacy & Security)
- 물리적 웹캠 셔터: 해킹으로 인한 사생활 노출을 방지하는 슬라이딩 방식의 '프라이버시 셔터'가 내장되어 있어 별도의 스티커를 붙일 필요가 없습니다.
- 지문 인식 센서: 전원 버튼에 통합된 지문 인식기(옵션)를 통해 윈도우 로그인을 빠르고 안전하게 할 수 있습니다.
업그레이드 및 확장성
- 하이브리드 스토리지: NVMe SSD 외에도 2.5인치 SATA 슬롯을 제공하는 경우가 많아 대용량 HDD/SSD 추가가 용이합니다.
- 메모리 확장: 온보드 메모리 외에 추가 슬롯이 하나 더 있어, 다중 작업 시 램 용량을 늘리기가 수월합니다. (이번 수리 시 확인하셨던 그 슬롯이죠.)
깔끔한 디자인과 대화면
- 15.6인치 대화면: 베젤이 얇아 몰입감이 좋고, 숫자 키패드(Full-size)가 포함되어 있어 엑셀 작업이나 데이터 입력이 잦은 사용자에게 유리합니다.
- 휴대성: 15인치급임에도 불구하고 약 1.65kg 내외의 무게로, 백팩에 넣고 다니기에 크게 부담스럽지 않은 수준입니다

2.음료를 마시면서 PC작업중 음료컵을 손에서 놓치면서 키보드위로 전부 쏟아져 버렸습니다
노트북에 액체를 쏟았다면 전원을 즉시 끄고 배터리를 분리하는 것이 가장 중요합니다. 직접 뭘더해볼려고 해보다간 손쓸수도 없을정도로 손상이 될수도 있구요 이번 케이스도 조기에 배터리를 분리하고 정밀 수리를 진행했기에 CPU 손상이라는 최악의 상황을 피할 수 있었습니다.
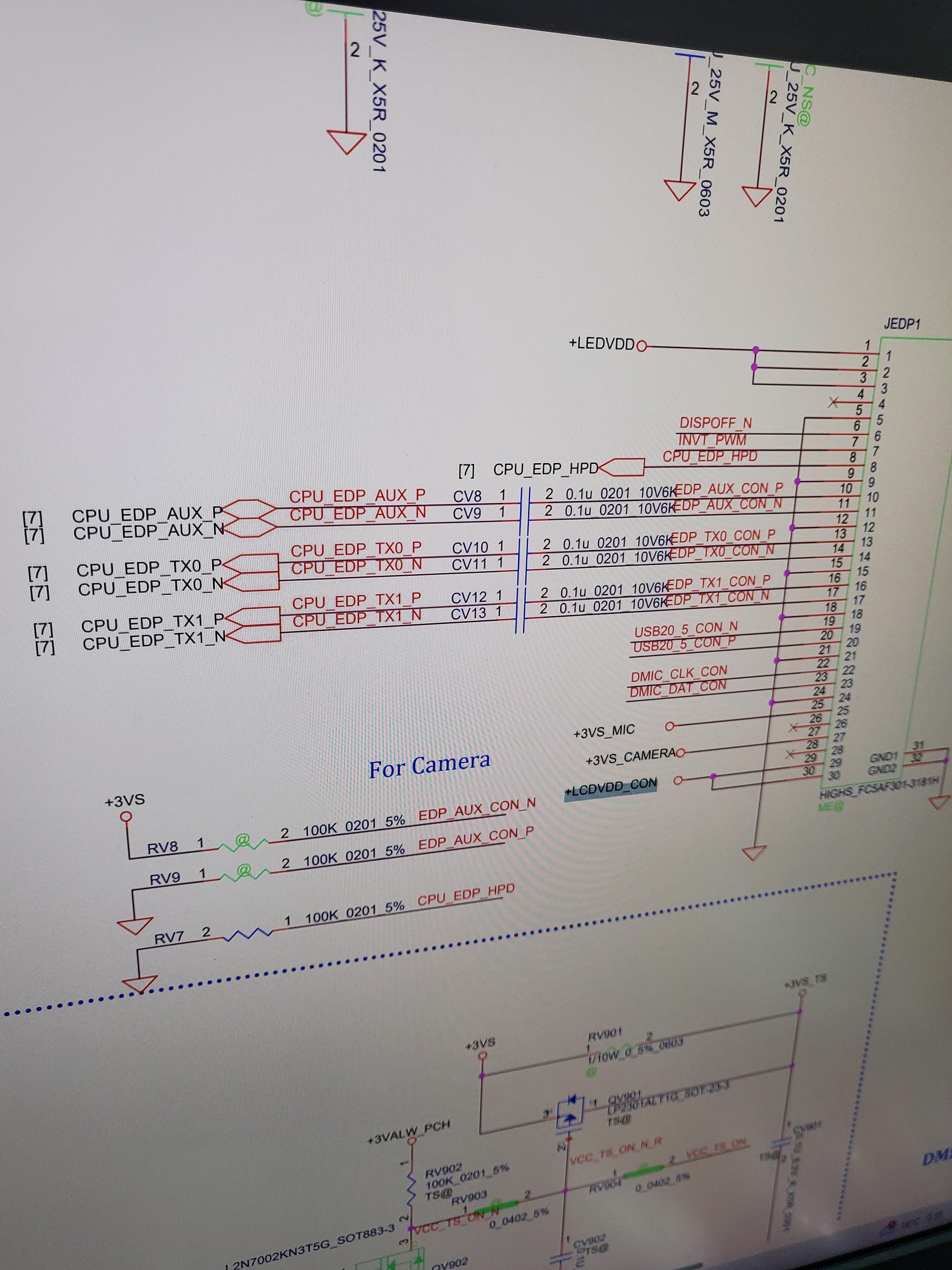
분해를 해보니 LCD커넥터 및 LCD 부식이 꽤많이 진행 되었습니다
EDP 커넥터 및 EDP케이블의 회로손상이 보입니다
우선은 세척액으로 정밀 세척을 먼저 진행해줍니다



3. 회로도를 참조해서 점검 및 수리진행 해봅니다.
-고전압이 흐르는 백라이트 라인패턴 부식
-로직 칩 주변의 저항 및 캐패시터 손상
-전원관리 IC주변 소자들도 습기로 인한 부식확인
-부식으로 인해 약해진 부분들의 핀주변 패턴을 정리해줍니다
-노출된 구리패턴과 부식취약부위에 솔더마스크를 도포한 후, UV 경화기를 사용하여 절연 코팅 처리 (사진상 청색/노란색 코팅 확인). 이는 향후 재부식을 방지하기 위한 핵심 작업 입니다
-다행히도 내부 그래픽코어까지 쇼트가 파급되지 않아 회로세척 및 절연 보강만으로 수리가 완료되었네요











4. 최종 점검 테스트를 해봅니다
-마무리할때 UV경화 액체를 상당히 두껍게 발라서 차후에 커넥터 교체를 해야 한다면 꽤 애를 먹을꺼 같기는 합니다
다시는 이런일이 생기거나 또는 수리한부분이 다시 문제가 생기지않길 바래야겠습니다
-테스트시 화면을 닫고 열때 화면이 깜빡이지 않는지 최대밝기에서도 커넥터 부위에 발열이 없는지 체크해봅니

'수리' 카테고리의 다른 글
| 레노버 아이디어패드 슬림 5 16AKP10 OLED 액정 파손 교체 : 무베젤 수리 주의점 (0) | 2026.04.22 |
|---|---|
| 레노버 아이디어패드 슬림 3 화면 불량 수리: LCD 교체 후 백라이트 안 켜짐 (0) | 2026.04.21 |
| 레노버 노트북 웹캠 인식 불량 — 커넥터 부식 및 소자 파손 수리 (0) | 2026.04.20 |
| 전원은 켜지는데 화면이 안 나온다면? 레노버 노트북 바이오스(BIOS) 수리 후기 (0) | 2026.04.20 |
| ThinkPad T14s Gen 1 : 전원 무반응 및 충전 불량 메인보드 수리 (0) | 2026.04.19 |